産品詳(xiáng)情
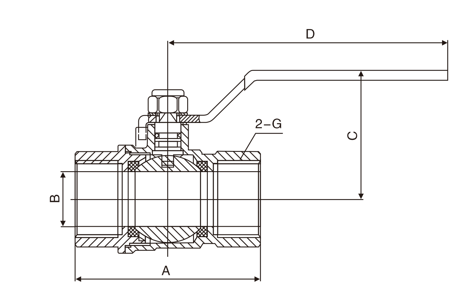
DN(mm) | NPS(in) | B | C | G | ||
15 | 1/2 | 52.8 | 14 | 41 | 1/2 | |
20 | 3/4 | 63 | 19 | 98 | 3/4 | |
25 | 1 | 23.5 | 55 | 110 | 1 | |
1/4 | 30 | 61 | 11/4 | |||
40 | 11/ | 90.6 | 140 | 11/ | ||
50 | 2 | 106 | 46.5 | 75 | 155 | 2 |
65 | 21/ | 132.4 | 56 | 92 | 190 | 21/2 |
80 | 3 | 151 | 68.5 | 106 | 230 | 3 |
100 | 190.5 | 85 | 117.5 | 230 |
Copyright © 2022-2023 南京博高(gao)閥門有限公(gōng)司 版權所有(yǒu)
京ICP證000000号
蘇公(gōng)網安備 32010202011315号
蘇公(gōng)網安備 32010202011315号 網(wang)站建設: 豐盛(shèng)科技




