手柄消防(fáng)溝槽蝶閥

産品(pǐn)型号:D81X

公稱通徑(jing):DN50~DN600(2"~24")

公稱壓力:PN12/19/25

工作(zuò)溫度:0°C~80°C

适用介質(zhi):水及泡沫混合(he)液

閥體材質:球(qiu)墨鑄鐵

産品詳(xiang)情

産品概述
       手(shǒu)柄消防溝槽蝶(die)閥具有安裝快(kuai)速、簡易、安全、可(kě)靠🔆、不受⚽安裝🐆場(chang)地限制、便于管(guǎn)道與閥門的維(wéi)修保養,有隔振(zhèn)隔音與一定的(de)角度範圍内有(yǒu)克服管道連接(jie)不同軸而産生(sheng)仿差♌,解決溫差(cha)所産🛀🏻生熱脹冷(lěng)縮等優點。廣泛(fan)應用于輸送流(liu)體管道的給排(pai)水,消防、空調、燃(ran)氣、石油、化工、水(shuǐ)處理、市政、造船(chuán)等管道工程作(zuo)爲控制流🔆體作(zuo)用。


産品特點

1、閥(fá)門采用中線型(xing)密封結構設計(ji),扭矩輕,密封性(xìng)能好;
2、蝶闆、閥杆(gan)采用無銷設計(jì)連接,連接可靠(kào)性好;
3、蝶闆整體(ti)采用包膠硫化(huà),耐腐蝕性好;
4、閥(fá)門與管道的連(lián)接采用卡箍連(lian)接形式,安裝方(fang)便、快速;
5、閥門的(de)驅動方式多樣(yang)化,可配置把手(shǒu)操作、蝸輪蝸杆(gan)操作🔆、電動及氣(qi)動操作方式。

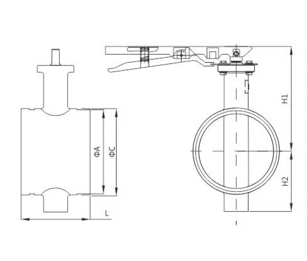
手柄消防(fáng)溝槽蝶閥(圖1)

主(zhu)要外形連接尺(chǐ)寸

型(xing)号

DN

Φ A

Φ C

L

H2

ZSDF 8-Q-50-16-D81X

50

57.2

60.3

88

136

62

ZSDF 8-Q-65-16-D81X

65

72.3

76.1

96

70

ZSDF 8-Q-80-16-D81X

80

84.9

88.9

96

149

79

ZSDF 8-Q-100-16-D81X

100

110.1

115

173

94

ZSDF 8-Q-125-16-D81X

125

135.5

139.7

115

187

108

150

160.8

165.1

132

201

117



産品推(tuī)薦